Tilting rotary table TSK series
Main features:
1. The TSK series tiiting rotarytables are one of main accessories for milling, boring and drilling machines.
2. They can be used for machining,the oblique hole or surface and hole of compund angle at one set-up.
3. It is so designed as to be usedin a vertical position to carry out center work with a tailstock.
4. This table can be tilted to anyposition from 0 to 90 and locked.
5. Aflange for connecting scrollchuck is special supplied, and be packed independent.
6. For special order, the dividnigplates accessory allows the operator to accurately divide the 360 rotation ofthe clamping surface into dividions of 2 through 66, and all divisible of 2,3and 5 from 67-132.
Description

| Specifications | TSK160 | TSK250 | TSK320 | TSK400 |
| Diameter of table (mm) | Φ160 | Φ250 | Φ320 | Φ400 |
| Mose taper of the center hole | MT2 | MT3 | MT4 | MT4 |
| Diameter of the center hole(mm) | Φ25*6 | Φ30*6 | Φ40*10 | Φ40*10 |
| Width of t-slot (mm) | 10 | 12 | 14 | 14 |
| Adjacent angle of t-slot | 90° | 60° | 60° | 60° |
| Width of the locating key(mm) | 12 | 14 | 18 | 18 |
| Modules of worm and worm gear | 1.5 | 2 | 2.5 | 3.5 |
| Transmission ratio of the worm gear | 1.9 | 1.9 | 1.9 | 1.9 |
| Graduation of the table | 360° | 360° | 360° | 360° |
| Tilting table | 0°~90° | 0°~90° | 0°~90° | 0°~90° |
| Readout of the hand wheel | 1’ | 1’ | 1′ | 1′ |
| Minimum value of vemier | 10″ | 10″ | 10″ | 10″ |
| Minimum reading of the tilting vemier | 2’ | 2’ | 2’ | 2’ |
| Indexing accuracy | 80″ | 60″ | 60″ | 60″ |
| Max bearing(with table hor)kg | 100 | 200 | 250 | 300 |
| Max bearing(with table vert)kg | 50 | 100 | 125 | 150 |
| Net weight kg | 36 | 80 | 135 | 280 |
| Gross weight kg | 44 | 93 | 150 | 305 |
| Case dimensions mm | 425*380*300 | 550*430*330 | 630*490*395 | 830*600*460 |
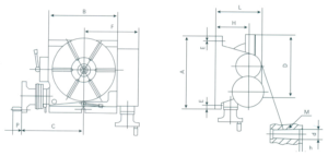
| Model | TSK160 | TSK200 | TSK250 | TSK320 | TSK400 |
| A | 255 | 296 | 310 | 380 | 500 |
| B | 172 | 213 | 252 | 322 | 400 |
| C | 168 | 186 | 235 | 252 | 306 |
| D | 160 | 200 | 250 | 320 | 400 |
| E | 11 | 14 | 16 | ||
| F | 138 | 175.5 | 199 | 241 | 295 |
| H | 100 | 120 | 140 | 175 | 217 |
| L | 160 | 180 | 205 | 255 | 320 |
| M | MT2 | MT3 | MT4 | ||
| P | 40 | 50 | |||
| d | F25 | 30 | 40 | ||
| h | 6 | 10 | |||


